Styli M2 with diamond coated sphere

Styli M2 with diamond coated sphere

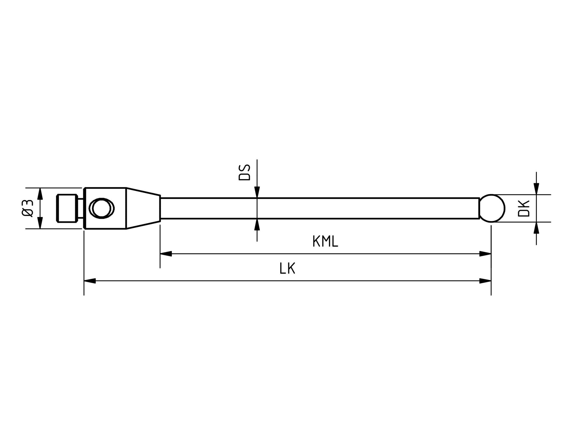
Article number: TM2-DC2020
Styli Type: Styli straight shaft
Thread: M2
DK: 2,05
DK Material: diamond coated
LK: 20
KML: 15
DS: 1
DS Material: carbide
AD: 3
Weight: 0.4g

Description

Styli with straight shaft – suitable for the majority of all applications. Equipped with an extremely rigid carbide stem for maximum stability and a diamond-coated ball, which offers exceptional wear resistance and is highly resistant to deposits. This ensures maximum process reliability and minimal maintenance. Ideal for continuous, consistent scanning. An automated and reliable vacuum brazing process produces a high-quality ball-socket connection with maximum strength, load capacity and a long product life.
Product information "Styli M2 with diamond coated sphere"
"Gerader Tastertyp – geeignet für die Mehrzahl aller Messtasteranwendungen. Ausgestattet mit einem extrem steifen Hartmetallschaft für maximale Stabilität und einer diamantbeschichteten Kugel.