M2 Microtaster

M2 Microtaster

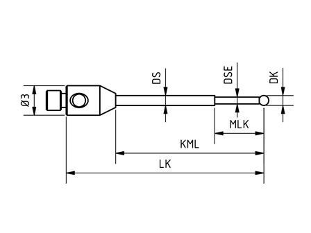
Artikelnummer: TM2-0810
Tasterart: Styli Stepped Shaft
Anschluss: M2
DK: 0,8
DK Material: ruby
LK: 10
KML: 5
MLK: 4,6
DS: 1
DSE: 0,5
DS Material: carbide
AD: 3
Gewicht: 0.1g

Beschreibung

Micro Taststifte für 3D-Koordinatenmessmaschinen wurden speziell für taktile Messaufgaben mit äußerst kleinen oder schwer zugänglichen Geometrien wie die Erfassung von sehr kleinen Bohrungen und filigrane Konturen entwickelt. Der Vakuumlötvorgang ist speziell bei kleinen Kugeln besonders wirksam und zuverlässig. Stabiles Stufendesign für maximale Stabilität.
Produktinformationen "M2 Microtaster"
Micro Taststifte für 3D-Koordinatenmessmaschinen wurden speziell für taktile Messaufgaben mit äußerst kleinen oder schwer zugänglichen Geometrien wie die Erfassung von sehr kleinen Bohrungen und filigrane Konturen entwickelt. Der Vakuumlötvorgang ist speziell bei kleinen Kugeln besonders wirksam und zuverlässig. Stabiles Stufendesign für maximale Stabilität.