M5 Taster gerade analog Leitz

M5 Taster gerade analog Leitz

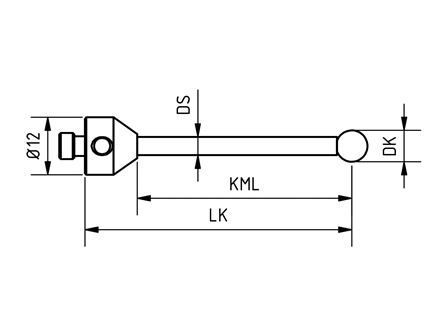
Artikelnummer: ATL-5060
Tasterart: Styli Straight Shaft
Anschluss: M5
DK: 5
DK Material: ruby
LK: 60
KML: 48
DS: 3,5
DS Material: carbide
AD: 12
Gewicht: 14.3g
Produktinformationen "M5 Taster gerade analog Leitz"
"Der meistgenutzte Tastertyp – geeignet für die Mehrzahl aller Messtasteranwendungen. Ausgestattet mit einem extrem steifen Hartmetallschaft für maximale Stabilität und einer Rubinkugel, dem Industriestandard für Kugelmaterialien (nicht empfohlen für Aluminium-Scanning).