M5 Diamant beschichteter Taster

M5 Diamant beschichteter Taster

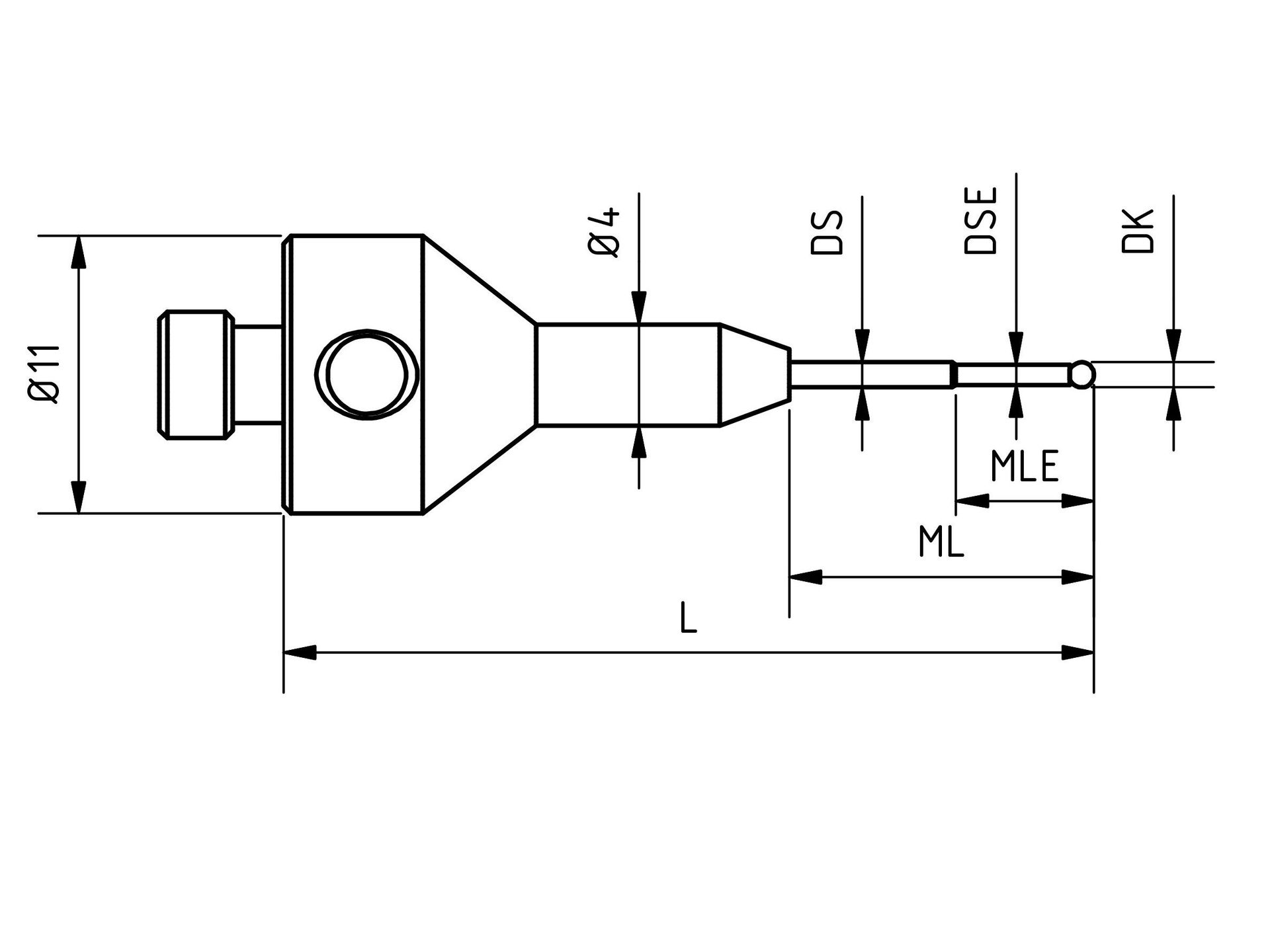
Artikelnummer: ASZ-DC1032
Tasterart: Styli stepped shaft
Anschluss: M5
DK: 1,05
DK Material: diamond coated
L: 32
ML: 12
MLE: 5,5
DS: 1
DSE: 0,7
DS Material: carbide
AD: 11
Gewicht: 6.8g

Beschreibung

Bei Tastern mit abgesetztem Schaft reduziert sich die Schaftdicke hin zum Tastelement. Durch diese Abstufung erhöht sich die Stabilität des Schafts bei gleichbleibender Länge (Abhängigkeit vom Kugeldurchmesser). Gleichzeitig kommt es zu einer Reduzierung der nutzbaren Messlänge.
Produktinformationen "M5 Diamant beschichteter Taster"
Bei Tastern mit abgesetztem Schaft reduziert sich die Schaftdicke hin zum Tastelement. Durch diese Abstufung erhöht sich die Stabilität des Schafts bei gleichbleibender Länge (Abhängigkeit vom Kugeldurchmesser). Gleichzeitig kommt es zu einer Reduzierung der nutzbaren Messlänge.